GKYWG-59磁敏液位計

產品概述
GKYWG-59磁敏液位計由磁性浮子傳感器和LED顯示屏兩部分組成,利用浮力原理和磁耦合作用,通過LED顯示屏的紅綠變化來檢測所測液位的高低。磁敏液位計在煙塵大含有微細鐵屑的環境中具有可靠的使用性,顯示部位采用高亮度LED雙色發光管,白天觀察距離60m,夜間可達200m以上,顯示亮度高,可視距離遠。液位計可以選裝液位變送器、液位開關實現信號遠傳功能,已廣泛應用于石油、化工、電力、冶金、食品、制造、造紙、水處理等行業的液位測量與過程控制中。
工作原理
磁敏液位計根據浮力原理和磁性耦合作用原理工作。磁性浮子根據介質的比重設計,使浮子內磁鋼與容器內液面高度一致。當儲罐內液位發生變化時,會使浮子隨液位移動。浮子的移動將液位變化通過磁耦合原理傳遞到現場顯示盒內高精度電子感應元件,觸發相應的數字電路,使LED雙色發光管轉換顏色,無液全紅,滿液全綠,紅綠交界處就是容器內的實際液位,從而達到指示儲罐內液位的目的。加裝限位開關實現液位報警和控制,加裝變送器實現數字信號輸出供顯示與控制。
產品特點
汽紅液綠,顯示清晰,觀察角度大,可視距離遠,在光線暗的場所中應用,夜間觀察醒目
設計簡單緊湊;堅固可靠;無維護工作量;能長年在戶內;外安裝使用
顯示裝置與容器內的介質不接觸,無泄露
可選裝液位變送器或液位開關
可用于有毒、腐蝕、易燃易爆等危險場所
安全、美觀、防護等級高
測量穩定性高
安裝形式
磁敏液位計有兩種安裝形式滿足用戶需求,包括:頂裝式、側裝式。


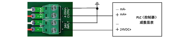
電氣連接

技術參數
測量范圍: 0-6000mm范圍內任意選擇
超過6000mm時,連接段采用法蘭連接
輸出信號:4-20mA DC
工作溫度: -50--400℃
主導管、浮子材質: 304、PTFE/304外襯PTFE、鋁、鈦或按用戶要求
連接法蘭:DN15~DN50(可定制)
法蘭材質:碳鋼、304、316L
電源電壓:DC24V,AC36V,AC220V
精度:≥10mm
工作壓力:-0.1~10 MPa
防護等級:IP66
防爆形式:隔爆型Ex dⅡCT3~T6、本安型Ex iaⅡC T3~T6
磁敏液位計選型表

如上表實例:GKYWG-59/P0010FLAXL,P代表普通型,第I個0代表二線制,第II個0代表304材質,1代表10m量程,FL代表法蘭安裝,7m代表罐高,A代表內銷,XL代表徐亮的訂單。
訂貨須知:為了方便用戶選型,請按產品選型表正確填寫內容,以便為您提供完整型號。
上一篇:GKYWG-52激光物位計
下一篇:GKYWG-57磁性液位計
冀公網安備 13040202000878號